细胞培养室是提供细胞生物学研究的基础实验室,现有面积500m2,拥有4个常规细胞培养操作室及1个原代细胞培养操作室。主要的仪器设备有全自动倒置/正置荧光显微镜、倒置荧光显微镜及采集分析系统、普通生物显微镜、解剖显微镜、Galaxy细胞培养箱、低氧培养箱及相应的配套设备。可以为开展细胞的生理、生化及分子信号通路等方面的研究提供良好的平台。
实验室以细胞水平为基础,有两个主要的研究方向:第一,眼部各种组织细胞的生理研究;第二,角膜干细胞研究,寻找干细胞特异性标记物,分离培养干细胞,研究其在角膜生理及病理中的转归;探索其在角膜组织工程、角膜上皮干细胞移植等医学领域中的应用。
目前实验室已开展的原代组织细胞培养技术包括人及各种实验动物的角膜上皮细胞、基质细胞及内皮细胞的培养,结膜上皮细胞、结膜基质细胞、睑板腺上皮细胞及脐带间充质干细胞的培养;开展的组织工程技术有角膜上皮植片的构建。目前实验室所拥有的细胞系有小鼠胚胎成纤维细胞系(3T3)、人角膜上皮细胞系(HCE)、小鼠角膜上皮细胞系(TKE2)、人肾上皮细胞系(293T)、人胚胎干细胞细胞系(H1)等。
一、 实验室培养细胞图片

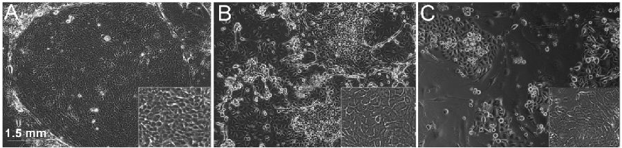
人角膜缘干细胞的克隆培养

免疫荧光双重染色检测人角膜缘上皮干细胞克隆中相关标记物的表达情况

人角膜缘上皮及角膜基质细胞无血清培养

小鼠角膜上皮细胞无血清培养 大鼠结膜上皮细胞无血清培养
二、现有的仪器设备

全自动倒置荧光显微镜Leica DMi8
倒置荧光显微镜 NinkonTE2000

普通生物显微镜 Ninkon 50i 普通倒置生物显微镜NinkonTS100